
精準的鎖模系統,杰出的能效,高效的伺服驅動,都能滿足所有需求。以客戶產品為中心,為客戶提供整套技術解決方案,并為全球客戶創造更佳的投資回報和客戶體驗。
◆ 鎖模四段(duan)(duan)控制頂(ding)出(chu)、二段(duan)(duan)控制開鎖模頂(ding)出(chu)均(jun)采用線性(xing)電子(zi)尺傳(chuan)感器,精密度達0.01mm;
◆ 可以準確控制鎖模(mo)和(he)頂出,可以選擇震(zhen)動頂出,停(ting)頓多次頂出或搭配(pei)電眼檢出機鉸潤(run)滑,采用電腦控制自(zi)動潤(run)滑;
◆ 可由電腦(nao)設定和(he)監控并具備有警報功能保(bao)護(hu)機械(xie)正常運行。
同(tong)步液(ye)壓精密調(diao)模(mo)機(ji)構液(ye)壓馬達(da)驅動,中心定位(wei)齒輪調(diao)模(mo),使調(diao)模(mo)運(yun)行為(wei)更順暢快捷。
高剛性正四方箱型模板(ban)保(bao)證模具(ju)(ju)受(shou)力(li)均勻(yun),注(zhu)塑無毛邊延(yan)長模具(ju)(ju)壽命(ming)。
節能高響(xiang)應油路設計(ji),速度靈敏,節能率(lv)20%~50%消耗電費(fei)大幅遞減(jian)。
鎖模單元


高精密

高剛性

高響應
陽鑫天王星YS系列秉持臺(tai)灣(wan)先進的(de)(de)設(she)計理念,突破(po)傳統射出(chu)機(ji)的(de)(de)技術瓶頸(jing),有效(xiao)提(ti)升了成(cheng)型(xing)精度,延長機(ji)器使用壽命大(da)幅(fu)度降低(di)了消耗(hao)!專業(ye)化和射出(chu)解決(jue)方案(an),針對各(ge)種原料和工藝提(ti)供(gong)齊全的(de)(de)專業(ye)螺桿料筒組合,并可提(ti)供(gong)多(duo)種材質(zhi)(zhi)供(gong)客戶選擇,提(ti)升用戶產品品質(zhi)(zhi)。
射座和射膠全部采用線(xian)性(xing)(xing)導軌,高(gao)(gao)精度(du)低摩擦系數(shu),運行(xing)更平穩,調整靈敏。更有利于低粘度(du)及高(gao)(gao)溫(wen)材料的(de)注塑成型,射移支架整體鑄造,整體射臺的(de)鋼(gang)性(xing)(xing)增強(qiang)。
采用雙(shuang)射(she)移結構,前拉式(shi)射(she)臺油缸(gang),平行牽引,保持噴(pen)嘴與模(mo)具(ju)接觸不偏移密(mi)封佳(jia),不易(yi)漏膠。
注塑單元

高精度

高穩定
◆ 采用臺灣(wan)制造先進的微電(dian)腦控制器400兆高(gao)速CPU可搭配半閉及(ji)全閉回(hui)路(lu)油壓系(xi)統;
◆ 加(jia)上人性化圖(tu)形(xing)操作(zuo)介(jie)面,線(xian)上曲線(xian)檢測(ce)功(gong)能(neng)及中央網路連線(xian)管理;
◆ 豐富的 SPC 品質(zhi)管理介面(mian),利(li)于生產高精度產品為(wei)用戶提高加(jia)值(zhi)利(li)潤(run)。
◆ 具備六(liu)段射出,三段保(bao)壓,二(er)段松退及(ji)保(bao)壓位置(zhi)切(qie)換控制等功能;
◆ 可以根(gen)據產品需要靈活調整,精確之射(she)出終(zhong)點及保壓位置切換,實現高精密,高穩定性之射(she)出性能;
◆ 射(she)(she)出采用線性電子尺,精度(du)達 0.01mm ,可(ke)準確(que)控制(zhi)射(she)(she)出行程,可(ke)記錄并同(tong)時顯示(shi)連續生產過程抽(chou)樣溫度(du)曲線,射(she)(she)出終點;
◆ 保壓(ya)切換點(dian),保壓(ya)完成點(dian)曲(qu)線(xian),并(bing)有歷史(shi)曲(qu)線(xian)比(bi)對功(gong)能(neng),精度達 0.1mm ,系統穩定性一(yi)目了然;
◆ 六段 PID 溫度(du)控制(zhi),精(jing)度(du)可達± 1? ,并(bing)具備溫度(du)異常斷線警報及上下限(xian)制(zhi)設立功(gong)能(neng),可精(jing)確掌控料溫;
◆ 螺桿(gan)低溫起(qi)動(dong)(dong)保護,防止螺桿(gan)意外損傷,可調定時(shi)預熱功(gong)能(neng),實時(shi)保溫及料(liao)管自動(dong)(dong)加溫功(gong)能(neng),自動(dong)(dong)洗料(liao)功(gong)能(neng)。
微電腦控制器

伺服動力(li)系統構成(cheng)圖(tu)&伺服電機
耗電量比較

驅動技術

技術參數
| 項目 | 單位 | YS-200 | |||
| 射 出 單 元 | 螺桿直徑 | mm | Φ44 | Φ50 | Φ54 |
| 理論射出容積 | cm3 | 342 | 442 | 515 | |
| 射出量 | gram | 305 | 394 | 460 | |
| ozs | 10.8 | 13.9 | 16.2 | ||
| 射膠壓力 | kg/cm2 | 2440 | 1890 | 1620 | |
| 射出速度 | mm/s | 96 | |||
| 射出率 | cm3/sec | 145 | 188 | 219 | |
| 螺桿轉速 | rpm | 200 | |||
| 夾 模 單 元 | 閉模力 | metrictons | 510 | ||
| 夾模行程 | mm | 160-610 | |||
| 模厚 | mm | 332*332 | |||
| 建議最小模具尺寸 | mm | 510*510 | |||
| 大柱內距 | mm | 745*745 | |||
| 模盤尺寸 | mm | 130 | |||
| 托模行程 | mm | 21.2 | |||
| 電 氣 單 元 | 電機馬達 | kw | (0-400C)*5 | ||
| 溫度控制器 | (range)set | 14.4 | |||
| 電熱容量 | kw | 6080*1250*1860 | |||
| 其 他 | 機械尺寸 | mm | 340 | ||
| 機械重量 | metric tons | 7.5 | |||
| 最高系統壓力 | kg/cm2 | 140 | |||
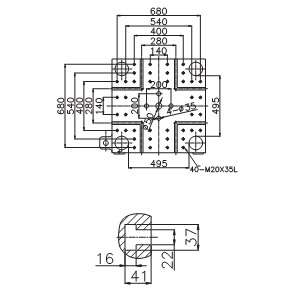
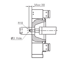
| 固定模板正面尺寸 | ![]() | ||||
| 模板側面尺寸 | ![]() | ||||
注:本產(chan)品(pin)(pin)參數射(she)出(chu)量(liang)按聚苯乙烯比(bi)重1.05,假設效率0.88計(ji)算,因(yin)產(chan)品(pin)(pin)不(bu)斷(duan)研究改良(liang),設計(ji)變更時(shi),恕不(bu)另作通知。

>




